133-2631-4273 133-0631-6558





圆筒式张力传感器,采用悬臂梁结合箔式/半导体应变片原理检测卷材张力,圆筒式张力传感器具有输出信号线性好和响应频率快的特点。SMT系列张力传感器坚固耐用、防腐防尘、稳定性高,在低张力下,仍可提供较高的灵敏度。SMT系列张力传感器有多种规格和安装方式,普遍被应用于印刷、复合、涂布、剪切、造纸、橡胶、纺织、电线电缆及胶片等卷取控制设备和生产上。
▲圆筒式张力传感器规格
额定张力(N)
1T...............................125,250,375,500,750
2T.................................375,750,1250,2500
过载系数........................................300%
输入电压.....................................5VDC/AC
张力信号输出.........................0-20mV、0-250mV
应变片电阻值..............................120Ω/全桥
综合误差.....................................<±0.5%
线性误差.....................................<±0.5%
重复性误差..................................<±0.02%
环境湿度.......................................95R.H.
环境温度..................................-38~+55℃
温度漂移....................................0.03% /℃
传感器接头规格..................................WS-16
▲圆筒式张力传感器产品特点
输出信号响应频率快
输出信号线性度好
内置温度补偿网络(半导体应变片)
安装方式灵活多样
补偿轴的胀缩、同轴度和挠度引起的误差
对高低张力具有同样的高灵敏性
张力应变片与基体粘结强度高
最大过载能力可达到300%
工业化防尘防腐设计
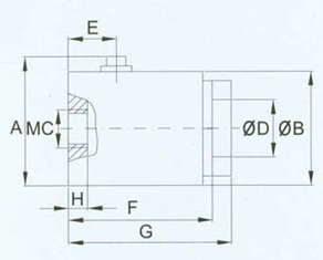
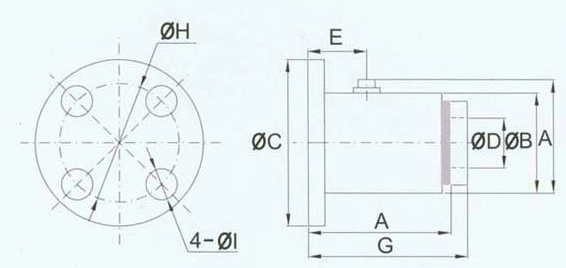
▲圆筒式张力传感器安装尺寸图


螺丝安装 法兰式安装
单位:毫米 类型 A B C D E F G H SMTS-1 68 57.4 10 28.6 28 64.3 77.5 12 SMTS-2 84 72.6 16 38.1 29 82.3 110.7 12 类型 A B C D E F G H I SMTF-1 68 57.4 88.9 28.6 28 64.3 77.5 73 8.6 SMTF-2 84 72.6 120.7 38.1 29 82.3 110.7 96.6 13.5
★圆筒式张力传感器张力计算
MWF*={2T×K×SIN(A/2)±W×SIN(B)**}/2MWF:最大工作压力(N);A:包角(度);B:张力角(度);K:安全系数(1.4-2.0);T:最大总张力(N)*MWF计算结果是单个传感器所承受的最大工作压力**B角如果在水平线下,用"+",如果在水平线上用"-"
★圆筒式张力传感器产品选型表
SMT 张力传感器 最大工作压力(N)
类型 等级 125 250 375 500 750 SMTS-1 PART NO-111 10 20 30 40 50 SMTF-1 PART NO-222 10 20 30 40 50 类型 等级 375 750 1250 2500 SMTS-2 PART NO-333 10 20 30 40 50 SMTF-2 PART NO-444 10 20 30 40 50
圆筒式张力传感器,采用悬臂梁结合箔式/半导体应变片原理检测卷材张力,圆筒式张力传感器具有输出信号线性好和响应频率快的特点。SMT系列张力传感器坚固耐用、防腐防尘、稳定性高,在低张力下,仍可提供较高的灵敏度。SMT系列张力传感器有多种规格和安装方式,普遍被应用于印刷、复合、涂布、剪切、造纸、橡胶、纺织、电线电缆及胶片等卷取控制设备和生产上。
▲圆筒式张力传感器规格
额定张力(N)
1T...............................125,250,375,500,750
2T.................................375,750,1250,2500
过载系数........................................300%
输入电压.....................................5VDC/AC
张力信号输出.........................0-20mV、0-250mV
应变片电阻值..............................120Ω/全桥
综合误差.....................................<±0.5%
线性误差.....................................<±0.5%
重复性误差..................................<±0.02%
环境湿度.......................................95R.H.
环境温度..................................-38~+55℃
温度漂移....................................0.03% /℃
传感器接头规格..................................WS-16
▲圆筒式张力传感器产品特点
输出信号响应频率快
输出信号线性度好
内置温度补偿网络(半导体应变片)
安装方式灵活多样
补偿轴的胀缩、同轴度和挠度引起的误差
对高低张力具有同样的高灵敏性
张力应变片与基体粘结强度高
最大过载能力可达到300%
工业化防尘防腐设计
▲圆筒式张力传感器安装尺寸图


螺丝安装 法兰式安装
单位:毫米 类型 A B C D E F G H SMTS-1 68 57.4 10 28.6 28 64.3 77.5 12 SMTS-2 84 72.6 16 38.1 29 82.3 110.7 12 类型 A B C D E F G H I SMTF-1 68 57.4 88.9 28.6 28 64.3 77.5 73 8.6 SMTF-2 84 72.6 120.7 38.1 29 82.3 110.7 96.6 13.5
★圆筒式张力传感器张力计算
MWF*={2T×K×SIN(A/2)±W×SIN(B)**}/2MWF:最大工作压力(N);A:包角(度);B:张力角(度);K:安全系数(1.4-2.0);T:最大总张力(N)*MWF计算结果是单个传感器所承受的最大工作压力**B角如果在水平线下,用"+",如果在水平线上用"-"
★圆筒式张力传感器产品选型表
SMT 张力传感器 最大工作压力(N)
类型 等级 125 250 375 500 750 SMTS-1 PART NO-111 10 20 30 40 50 SMTF-1 PART NO-222 10 20 30 40 50 类型 等级 375 750 1250 2500 SMTS-2 PART NO-333 10 20 30 40 50 SMTF-2 PART NO-444 10 20 30 40 50
光栅尺、磁栅尺、球栅尺、全方位施工安装专家
为您提供全面可靠解决方案
公司 : 威海三丰电子科技有限公司
地址 : 山东省威海市环翠区齐鲁大道127号
手机 : 13326314273 电话 : 06313632623
备案号 : 鲁ICP备12006565号-1
技术支持 : MOUMOU